Каталог товарів

Міст діодний ВАЗ 2123 нового зразку, для генератора 9402.03-04, 105А БВО4-105-05 (вир-во Орбита)

Артикул: БВО4-105-05
( 0 )
Немає на складі
В наявності
0,00 грн
500,00 грн
+
Способи доставки
  • Самовивіз з Нової Пошти
  • Кур'єр Нової Пошти
  • Самовивіз з магазину
  • Інші транспортні служби
Способи оплати
  • Готівкою при отриманні
  • Безготівковий переказ
  • Приват 24
Опис

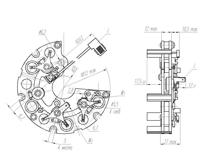
Блок випрямний обмежувальний БВО4-105-05 призначений для випрямлення трифазного змінного струму та обмеження імпульсів
перенапруги у системі електроустаткування автомобілів у складі генераторної установки.

Виробник: Орбита

Особливості застосування
Блок випрямний обмежувальний встановлюється безпосередньо на генераторах. Робоче становище у будь-якому просторі. 
Охолодження повітряне примусове. Маса блоку трохи більше 0,18 кг.

Основні параметри Номінальна напруга, Uпост.,В 14 Максимальний випрямлений струм, Iвпб.max, А 105 Пряма напруга (амплітудне значення) на кожному діоді силового випрямляча при t=(25±10) єC і Iпр=110А, не більше, 1,35 Імпульсна напруга обмеження на кожному діоді силового випрямляча (при Iогр.=45А, t=(25±10) єC), не більше, 28 Мережа живлення: - Число фаз 3 - Частота, Гц 2000 Спосіб приєднання обмоток статора: клема


Застосовність: ВАЗ 2123

 
Характеристики
  • Код запчастини:
    БВО4-105-05
  • Виробник:
    Орбита Саранск Оригінал
  • Застосування:
    Генератори 9402.03-04., Автомобілі ВАЗ 2123, Шевроле Нива
Відгуки
Поки немає відгуків
Написати відгук
Ім'я*
Email
Введіть коментар*